Retour à toutes les sections du moment d’inertie
Calculer le moment d’inertie
Section 31

Moments d’inertie. Rayon de giration.
On l’appelle le moment d’inertie d’un système de points matériels par rapport à un plan, un axe ou un pôle, la somme des produits entre les masses des particules qui composent le système et le carré des distances de ces particules au plan, axe ou pôle considéré :

Par rapport à un référentiel cartésien on a :
– moments d’inertie planaires :

– moments d’inertie axiaux :

– moment d’inertie polaire :

– moments d’inertie centrifuges :

Le rayon de giration est la distance à laquelle toute la masse du système matériel M doit être placée, concentrée en un seul point sur un plan, un axe ou un pôle pour obtenir la même valeur du moment d’inertie plan, axial ou polaire comme et celle donnée par l’ensemble du système matériel.

Propriétés:
– les moments d’inertie planaires, axiaux ou polaires sont des quantités positives. Ils ne sont nuls que lorsque le système de points matériels est contenu dans le plan, sur l’axe ou dans le pôle auquel on se réfère ;
– les moments d’inertie axiaux sont égaux à la somme des moments d’inertie par rapport à deux plans rectangulaires :

– le moment d’inertie polaire peut être calculé comme :
• la somme des moments d’inertie axiaux par rapport à trois axes rectangulaires passant par ce point :

• somme des moments d’inertie planaires :

la somme des moments d’inertie par rapport à un plan et un axe normal à ce plan :

– les moments d’inertie centrifuges peuvent être positifs, négatifs ou nuls.
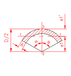
A = Zone de coupe
e1,2 = Distance des axes centraux aux points extrêmes de la section
I1,2 = Moments d’inertie autour des axes 1-1 et 2-2
W1,2 = Modules de résistance aux axes 1-1 et 2-2
i1,2 = Rayon de giration

Suggestion pour moment d’inertie. Envoyez-nous votre suggestion pour améliorer ce chapitre
