Retour à tous les profilés en acier laminé
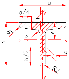
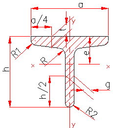
Profilé en acier laminé « T »
T profilé

Profilé en acier laminé « T »
Notations
I – moment d’inertie
W – module de résistance
i – radius
S – surface (cm2)
G – poids (kg/m)

Avez-vous une suggestion pour profilés laminés en acier ?
Envoyez-nous votre suggestion pour améliorer ce chapitre
